EV 3 Series Franklin Electric E-tech Stainless Steel Vertical Multi-Stage Pumps deliver efficiency and superior performance for a wide variety of demanding applications. The EV Series is backed by Franklin’s unparalleled technical service and support, leaving you with proven reliability and peace of mind.
HERE
Features
- Full stainless steel in contact with water (inox version), compact and solid structure
- Diffuser bushing made of graphite for durability against dry running (EV 30-45-65-95)
- Easy disassembly without any special tool
- Easy installation in-line ports
- Fabricated stainless steel impeller and diffuser for corrosion resistance and superior efficiency
- Oversize ball bearing (bearing bracket) ensures motor-bearing long life and eliminates axial and other adjustments of moving parts
- WRAS certified PPS (EV 1-3-6-10) / PTFE (EV 15-20-30-45-65-95) replacement floating neck ring for cost effective maintenance and long-lasting performance
- Removal of the mechanical seal without dismounting the pump; for models higher than 4 KW no need to dismantle the motor
- Replaceable stainless steel wear ring in the neck of the impeller (EV 30-45-65-95)
- Shaft bearing and journal sleeve made of tungsten carbide
- Standard mechanical seal (EN 12756 ex DIN 24960) WRAS certified; balanced version for EV 30-45-65-95
- Standard IE3 motor without oversize bearing, size B14 up to 4kW / size B5 from 5.5kW and above
- Tungsten carbide intermediate bearing to control and eliminate vibration and stabilize the rotor with a large number of stages
Specifications
- Capacities: up to 120 m³/h at 50Hz; up to 140 m³/h at 60Hz
- Head: up to 320 m at 50Hz; up 284 m at 60Hz
- Direction of rotation: clockwise looking at the pump from the top down
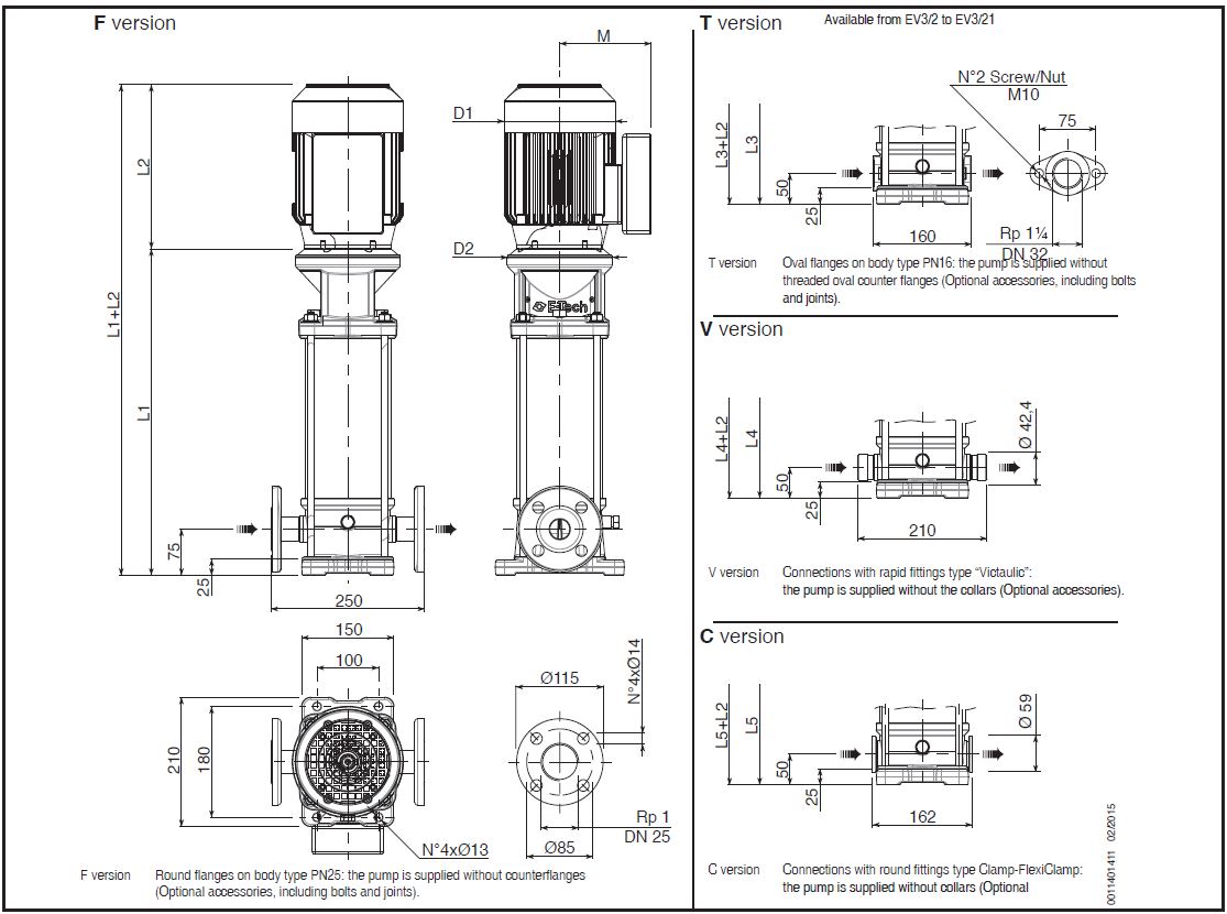
- Discharge and Suction port: Oval, Round flanges, Victaulic and Clamp connections
- Hydraulic characteristics are guaranteed, according to ISO standard 9906:2012, grade 3B
- Liquid temperature range: from -15°C to +120°C
- Materials: suitable for handling potable water (materials approved WRAS, ACS, KTW)
- Maximum working pressure: Oval flange 16 Bar; Round Flange, Victaulic and Clamp connections 25 Bar
- Motor powers from 0,37 to 45 kW at 50Hz and 60Hz







